Not sure if your line should be wash-only, blast-only, or both?
Download our Surface Prep Decision Guide and find out in minutes.
Walk into ten powder coating shops, and you’ll probably hear ten different philosophies about surface prep. Some swear by a good five-stage wash line. Others won’t start a part until it’s been blasted to a white-metal finish.
So, who’s right? Well… like most things in manufacturing, it depends. There is a lot to consider.
Let’s dig into the real-world pros, cons, and decision points behind blasting vs. relying on a chemical pretreatment line alone. 8 years in the industry and 100’s of jobsite visits, I have seen it done many ways.
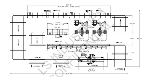
What Each Process Actually Does
Five-Stage Wash Line
A standard 5-stage pretreatment line typically includes:
- Alkaline or acid cleaner
- Rinse
- Conversion coating (iron phosphate, zirconium, or chromate)
- Rinse (often with RO or DI water)
- Final seal rinse or dry-off
This process removes light oils and soils, creates a conversion layer, and improves powder adhesion especially on new or clean metal.

Abrasive Blasting (Wheel or Air Blast)
Blasting uses steel shot, grit, or media to physically remove mill scale, rust, weld slag, and contamination. It also roughens the surface, creating a mechanical anchor profile that paint or powder can lock into.
When Washing Alone Works
There’s a time and place for skipping the blast booth mainly when you control your upstream metal quality.
Good candidates for wash-only:
- New, smooth, mill-finish steel or aluminum
- Light-gauge material with no rust, scale, or weld marks
- Small to medium parts where chemical pretreatment is consistent
- High-volume, low-mix lines where speed matters more than perfect profile
Benefits:
- Lower equipment cost, no blaster, media reclaim, or dust collector
- Simplified maintenance
- Faster throughput and less handling
- Easy automation
Drawbacks:
- Limited rust/mill scale removal ability
- Won’t correct inconsistent supplier metal conditions
- Dependent on precise chemistry and rinse quality
- Finish durability can vary, especially outdoors
Bottom line: If you’re powder coating clean, new metal the five-stage can absolutely carry the load in many cases.
When Blasting is a Game Changer
If your metal prep involves anything more than “wipe and go,” blasting starts to earn its keep.
Blasting should be considered when:
- Material arrives with rust, mill scale, or weld burn
- You’re working with hot-rolled or laser-cut steel
- You need consistent adhesion and long-term corrosion resistance
- You run outdoor or structural parts (trailers, beams, handrails, heavy fab)
- You have variable part geometry that a wash can’t fully reach
Benefits of blasting:
- Removes contamination at the surface level and below it
- Creates a uniform surface profile (typically 1–3 mils) for powder to grip
- Reduces outgassing and fisheye defects
- Makes your finish tougher and longer-lasting fewer rejects
- Can reclaim and reuse media (low consumable cost long term)
Drawbacks:
- Higher capital cost (blast wheel/air blast, reclaim, dust collector)
- More maintenance: liners, blades, media, dust filters
- Adds a process step which can bottleneck if not automated
- Can distort thin-gauge material if not properly controlled
In short: blasting gives you control but it comes at the cost of another layer in your process. Which pays for itself in increased quality and finished parts.

The Combo Approach: Blast + Wash
The smartest finishers don’t see blasting and washing as an either/or they see it as both/and.
Here’s the typical hybrid setup:
- Step 1: Blast the parts to SP6 or SP10 (near-white metal)
- Step 2: Run them through a short 3–5 stage wash for final cleaning and phosphate or zinc coating. Don’t forget to DRY well.
- Step 3: Apply powder
This combination gives you:
- A clean, profiled surface for mechanical adhesion
- A chemically treated surface for corrosion resistance
- Insurance against contamination or handling before coating
Yes, it’s more upfront cost and footprint but it produces the best finish possible. That’s why it’s the norm for OEMs, defense contractors, and high-spec industrial work.
ROI and Throughput Considerations
- If you’re chasing speed and volume: wash-only might win short term.
- If you’re chasing longevity and quality: blasting pays off.
Think about the lifetime of the product, a failed coating in the field costs more than a blaster ever will. You want to be known for the finish that outlast your competitors.
Example: A structural fabricator who added a pass-through wheel blast system cut rework by 70% and reduced chemical consumption by 40%. Their coating line stopped fighting scale and contamination and started producing consistent, high-quality finishes every shift.

My take and Final thought. If your customers expect a finish that lasts, don’t gamble on a shortcut. Blasting before powder coating is about control. Control of adhesion. Control of corrosion. Control of your reputation.
And in today’s competitive world, control = profit.

What the Wrong Choice Costs
- Rework from poor adhesion
- Chemical overuse trying to compensate
- Warranty failures in the field
- Lost production from inconsistent results
The cheapest system upfront is often the most expensive over time.
We rarely see shops regret adding blasting we often see them regret not doing it sooner.
Where Engineered Lines Make the Difference
- Integrated blast + wash systems
- Balanced airflow and drying
- Proper material handling
- Designed for throughput, not bottlenecks
This is where pieced-together systems fall short.
If you’re unsure which you need that uncertainty is already costing you.
Your One Stop Shop for Accountability. We can manufacture your entire line from design to fab to service.
Download our Surface Prep Decision Checklist
Sales Manager – Melissa Palmer




